欢迎光临滑县润生实业有限公司!
联系我们
微信
扫码微信沟通
研发制造医疗器械、卫生用品为主的生产型企业
主营:隔离衣,医用隔离鞋套,医用帽,隔离面罩,护目镜、防护服等
网站首页
关于我们
产品系列
隔离衣
医用隔离鞋套
医用帽
隔离面罩
护目镜
防护服
医用口罩
医用手套
资质荣誉
客户案例
资讯动态
在线留言
联系我们
16692267866
16692267866
网站首页
关于我们
产品中心
隔离衣
医用隔离鞋套
医用帽
隔离面罩
护目镜
防护服
医用口罩
医用手套
资质证书
应用案例
生产实力
资讯动态
在线留言
联系我们
当前位置:
首页
>
资质证书
关于我们
公司简介
应用案例
生产实力
资质证书
在线留言
联系我们
联系我们
联系人:连经理
电话:16692267866
地址:河南省滑县慈周寨镇工业园区
16692267866
资质证书
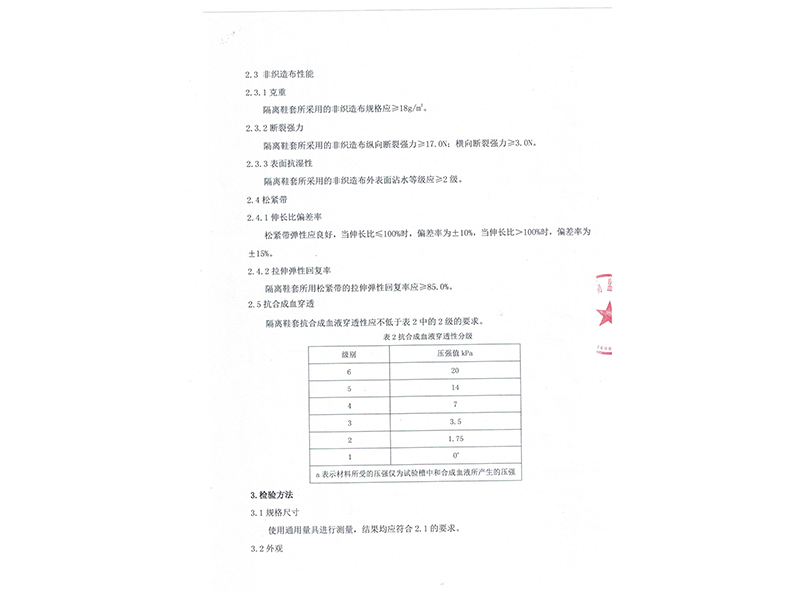
医用隔离鞋套技术要求
发布时间:2022-11-08 浏览:383次
返回列表
上一篇:
医用帽技术要求
下一篇:
隔离衣技术要求
文章推荐
润生长期发展线上营销,各种产品长期备货充足
2022-11-04
滑县润生实业有限公司
2022-11-04
热烈庆祝公司网站建设成功
2022-11-03
电话
16692267866
二维码
扫描进入手机版
留言